J9九游会

激光器声光器件和电光器件光学元器件激光配件激光仪器与工具场景化方案中心
激光陶瓷反射体,漫反射体
激光陶瓷反射体,漫反射体
激光陶瓷反射体,漫反射体
激光陶瓷反射体,漫反射体
激光陶瓷反射体,漫反射体
激光陶瓷反射体,漫反射体

陶瓷反射体,漫反射体

时间:2020-05-16 类别:激光配件 关注:6525

高反射率陶瓷材料在可见光区(380nm-780nm)光谱平均反射率高达97%以上

陶瓷反射体广泛应用于激光泵浦腔中,与镀金反射体比较最大优势在于其使用寿命极长。J9九游会提供各种型号的灯泵浦固体激光器用陶瓷体、半导体泵浦模块专用陶瓷体和美容和光子润肤用陶瓷体等。

J9九游会一站式供应各种类型的陶瓷反射体,漫反射体,激光反射体,激光陶瓷体,陶瓷激光反射体,陶瓷漫反射体,激光陶瓷腔,聚光腔体,激光陶瓷泵浦腔,可提供选型、技术指导、安装培训、个性定制等全生命周期、全流程服务,欢迎联系J9九游会的产品经理!

联系J9九游会快速获取产品选型、最新报价和解决方案
罗经理 手机|微信: 18162698939 座机: 027-51858939
夏经理 手机|微信: 13697356016 座机: 027-51858958
产品系列
激光器
声光器件和电光器件
光学元器件
激光配件
激光仪器与工具
产品经理信息

陶瓷反射体近来广泛应用于激光泵浦腔中。与镀金反射体比较最大优势在于其使用寿命极长。高反射率陶瓷材料在可见光区(380nm-780nm)光谱平均反射率高达97%以上。

陶瓷反射体,漫反射体

灯泵浦固体激光器用陶瓷体

  • BAB – 外形是圆柱;

  • ZAB – 外形不规则;

  • LAK – 外形是方的但有一面是凹形;

  • EAB – 外形是方;

  • GAZ – 外形是三角形。

型号陶瓷体长度灯棒距离(灯灯距离)内孔高度内孔长度说明
ZAB-S04-30306812长方形 + 圆形
ZAB-S05-30307.62812长方形 + 圆形
ZAB-S0345
616长方形 + 圆形
ZAB-S04-50506812长方形 + 圆形
ZAB-S05-50507.62812长方形 + 圆形
ZAB-S0159.5
817长方形 + 圆形
ZAB-S0260
930长方形 + 圆形
ZAB20577111122长方体,单灯单棒
ZAB198115261643长方体,单灯单棒
ZAB146(TCT142D)142271643长方体,双灯单棒
LAK2834811.4

椭圆腔,单灯单棒上下结构
LAK3064811.4

椭圆腔,单灯单棒上下结构
LAK3174811.4

椭圆腔,单灯单棒上下结构
LAK39670
1221椭圆腔,单灯单棒上下结构
LAK046949

长方体,单灯单棒,上下结构
LAK396-100100
1221椭圆腔,单灯单棒上下结构
LAK396-120120
1221椭圆腔,单灯单棒上下结构
LAK396-140140
1221椭圆腔,单灯单棒上下结构
LAK31114532

长方体,双灯单棒,上下结构
LAK396-150150
1221椭圆腔,单灯单棒上下结构
LAK331160.527.5

长方体,双灯单棒,上下结构
LAK39118632

长方体,双灯单棒,上下结构
BAB259648.5816.5圆柱体,单灯单棒
BAB37371.5


椭圆腔
BAB-S06-8989109.319.3圆柱体,单灯单棒
BAB-S0492


椭圆腔
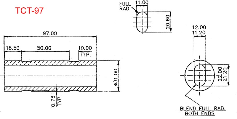
BAB192(TCT97)97
1222圆柱体,单灯单棒
BAB3119712.71527.7圆柱体,单灯单棒
BAB34997
1222圆柱体,单灯单棒
BAB275100
14.428.4圆柱体,单灯单棒
BAB283100
1732圆柱体,单灯单棒
BAB299100
1745椭圆体,双灯单棒
BAB281100
1834圆柱体,单灯单棒
BAB402101
14.530椭圆体,单灯单棒
BAB228115
1222圆柱体,单灯单棒
BAB330(TCT117)117
1222圆柱体,单灯单棒
BAB275-120120
14.428.4圆柱体,单灯单棒
BAB399120
1643圆柱体,双灯单棒
BAB350130
1745椭圆体,双灯单棒
BAB492150
1745椭圆体,双灯单棒
BAB496160
1745椭圆体,双灯单棒
BAB497170
1745椭圆体,双灯单棒

注:1)单位为mm;2)单灯单棒时,指灯棒距离,双灯单棒时,指灯灯距离。

半导体泵浦?樽ㄓ锰沾商

型号说明: CRDP-XX-YY-Z-AAA-BBB

  • CRDP: 半导体泵浦陶瓷体

  • XX – 反射体内径 (mm)

  • YY -  反射体长度 (mm)

  • Z – 反射体面数,就是侧面可以放半导体巴条的数量。

  • AAA – 与反射体剖面相关的备注,如TRI (三角形)、CRL (圆形)、PLT (平面形)

  • BBB – 备注

型号直径mm)长度(mm)说明
CRDP-12-25-3-PLT1225适合侧面泵浦,360度均匀放置三组半导体激光管
CRDP-12-65-3-PLT1265适合侧面泵浦,360度均匀放置三组半导体激光管
CRDP-12-115-3-PLT12115适合侧面泵浦,360度均匀放置三组半导体激光管
CRDP-6.07-32.26-3-TRI6.0732.26外形三角形,FF材料,360度均匀放置三组半导体激光管
CRDP-12.2-67-3-TRI12.267外形三角形,FF材料,360度均匀放置三组半导体激光管
CRDP-12.2-76.3-5-CRL12.276.3外形圆形,360度均匀放置五组半导体激光管

美容和光子润肤用陶瓷体

  • 型号说明:CRIPL-XX-YY-BBB

  • CRIPL: 美容和光子润肤用陶瓷体

  • XX – 反射体内径或角度(mm/度)

  • YY -  反射体长度 (mm)

  • BBB – 备注

型号内径或角度 (mm/度)长度 (mm)备注
CRIPL-4.27/3.28-48/604.27-3.2848-60EAB-074,圆角棱形
CRIPL-23-46230 46’46LAK-404,上釉,倾斜端面,底部5孔
CRIPL-19-48-5190 52’48LAK-409,上釉,底部5孔
CRIPL-19-48-5G190 52’48LAK283,上釉,底部5孔
CRIPL-19-48-3190 52’48LAK306,未上釉,底部3孔
CRIPL-19-48-3G190 52’48LAK317,上釉,底部3孔

上面反射体是已有并且在市场上大量使用的。一般来说,反射体总是根据客户的要求订制的。请上J9九游会的网站看反射体的机械图,以便理解其应用。如有具体要求,请联系J9九游会。

STG系列陶瓷反射体

ST系列的陶瓷反射体坯体采用99% Al2O3制成坯体,经过适当的温度烧制,以保留合适的孔隙率和适当的坯体强度。陶瓷反射体表面采用了全涂覆高反射率陶瓷全釉工艺,与镀金反射体相比,其最大优势在于使用寿命极长,反射特性为漫反射。

此陶瓷反射体是医疗和工业激光焊接的泵浦腔的一个低成本、高效率的解决方案。

主要特性:

  • 表面全釉以取得最大反射率和易于清洗

  • 在波长600-1000nm处反射率达97%

  • 在400-1200nm频谱范围内反射率超过95%

  • 坯体具有适当的多孔和高强特性

物理特性:

  • 颜色:白色

  • 密度:3.1g/cm3?

  • 气孔率:22%

  • 抗弯强度:170MPa

  • 热膨胀系数:7.9×10-6­­/С(200~500℃)

  • 9×10-6/С(200~1000℃)

性能指标测试图

主要型号定义

  • STG-BAB  –外形图为圆形;

  • STG-ZAB – 外形图不规则

  • STG-LAK – 上下结构(外形图为方形、长方形,但一面是凹形);

  • STG-EAB – 外形是长方形;

  • STG-GAZ – 外形是三角形。

下列图表中是J9九游会现有的产品型号.

产品型号长度间距孔高度孔长度备注
STG-ZAB-N10099.9
12.833.5方形 + 圆形
STG-LAK-4949
10.212
STG-LAK-51.651.6
12.6
孔中心高度10.5mm
STG-LAK-51.6-251.6
10.0
孔中心高度10.5mm
STG-LAK-51.6-351.6
12.0
孔中心高度9mm
STG-LAK-51.6-451.6
15.0
孔中心高度11.5mm
STG-BAB-97 (=TCT-97)97
1222柱面形, 单灯单棒
STG-BAB-9898
1425柱面形, 单灯单棒
STG-BAB-117 (=TCT-117)117
1222柱面形, 单灯单棒
STG-BAB-137137.5
17.530柱面形, 单灯单棒

J9九游会可根据客户提供的图纸定制陶瓷反射体。如有特殊应用和具体要求,请联系J9九游会。

常用陶瓷体尺寸列表

  1. 单灯单棒用反射体:TCT97(等同于BAB192)TCT117(等同于BAB330)

  2. 双灯单棒用反射体:TCT-142D(等同于ZAB146)

  3. 双灯单棒用反射体:LAK331

  4. 单灯单棒用反射体:ZAB198

  5. 单灯单棒用反射体:ZAB205

  6. 半导体泵浦?樽ㄓ锰沾商澹CRDP-32xxx系列

您可能感兴趣的文章

【网站地图】【sitemap】