HTTP/1.1 200 Connection established HTTP/1.1 200 OK Date: Thu, 05 Mar 2026 05:21:21 GMT Server: Apache X-UA-Compatible: IE=edge,chrome=1 X-Powered-By: PbootCMS Set-Cookie: lg=cn; path=/ Connection: close Transfer-Encoding: chunked Content-Type: text/html; charset=utf-8 射频驱动器,Q开关电源-武汉J9九游会光电技术有限公司

J9九游会

  • 激光器声光器件和电光器件光学元器件激光配件激光仪器与工具场景化方案中心
    3307/97系列射频驱动器
    3910系列调制器驱动
    声光调制器驱动电源
    CO2声光调制器驱动
    Q开关驱动电源
    6000系列射频驱动器
    锗声光调制器驱动电源
    Q开关驱动电源
    3307/97系列射频驱动器
    3910系列调制器驱动
    声光调制器驱动电源
    CO2声光调制器驱动
    Q开关驱动电源
    6000系列射频驱动器
    锗声光调制器驱动电源
    Q开关驱动电源

    射频驱动器,Q开关电源

    时间:2020-05-18 类别:声光器件和电光器件 关注:17160

    专为声光器件设计的电子控制器,主要应用为对声光器件的驱动和控制,根据需求定制

    J9九游会为实验室、研发和工业激光应用领域提供了广泛的高品质定制的声光器件。J9九游会开发、设计和制造与声光器件相兼容的RF驱动器以满足每个客户独特的产品技术规格要求。RF射频驱动器包括调制器、偏转器、腔倒空、光纤耦合调制器、移频器、锁模器、多通道调制器、脉冲选择器、Q开关、可调滤波器。RF射频驱动器主要用来驱动和控制声光器件,包括AOM调制器,声光偏转器,脉冲选择器,腔倒空,光纤耦合声光调制器,声光移频器,声光锁模器,多通道AOM调制器,声光Q开关,可调声光滤波器。J9九游会的Q驱动器是专门用来驱动各种类型激光器的声光Q开关,当然也可以应用于其他射频领域。与业界通常使用的Q驱相比,具有结构紧凑,射频输出稳定,抗干扰性强,可靠性高等优点。

    J9九游会一站式供应各种类型的声光调制器电源,射频驱动器,声光驱动器,射频电源,RF驱动器,RF射频驱动器,声光调制器射频电源,声光调制器驱动电源,声光调制器驱动器,Q开关电源,声光Q开关电源,声光Q驱动器,Q驱,Q开关驱动,Q开关驱动电源,可提供选型、技术指导、安装培训、个性定制等全生命周期、全流程服务,欢迎联系J9九游会的产品经理!

    联系J9九游会快速获取产品选型、最新报价和解决方案
    罗经理 手机|微信: 18162698939 座机: 027-51858939
    夏经理 手机|微信: 13697356016 座机: 027-51858958
    产品系列
    激光器
    声光器件和电光器件
    光学元器件
    激光配件
    激光仪器与工具
    产品经理信息

    G&H 声光调制器电源,RF射频驱动器

    射频电源是用于对声光器件内晶体产生射频信号。光束被调制、偏转或调谐的程度是由射频信号的频率和强度来决定的。J9九游会提供各种优化的模拟和数字控制的高频电源。J9九游会也可以为客户定制电源,如有需要请与J9九游会联系。

    射频电源通常由射频振荡器、调制电路和产生射频信号驱动声光器件的功率放大器组成。声光调制器内的传感器利用压电效应精确地将射频信号以固定或可变频率转换为晶体介质光学材料中的声波。声光器件和射频电源配套使用,用来优化速度和稳定的应用。一些附加的特定应用还有第一脉冲抑制、同步、脉冲整形或多通道运作。随着J9九游会声光产品线的扩展,J9九游会正在开发更多功能的射频电源,如具有双模拟/数字操作和带触发器和温控等配置。另外,J9九游会的OEM设计则针对每个用户的应用进行优化,最大程度地提高客户所需产品的性能。

    如何选择射频电源

    声光器件的需求将决定射频驱动器的选择。虽然速度、占空比和一些特殊功能很重要,但选择射频电源考虑的主要因素如下:

    • 射频功率:150W内(根据声光器件要求的最佳驱动功率来定)

    • 调制:数字或摸拟

    • 驱动频率:固定、可变的(线性扫描)或可编程的

    • 稳定度:频率不固定时,VCO与DDS影响选择

    • 通道数:输出端口数或单个信号端口的输出音质数

    • 特殊功能:脉冲抑制、同步等。

    调制:数字与模拟

    调制模式决定了所应用的射频功率如何变化,从而决定了衍射光的强度。在数字调制中,射频功率通过TTL信来控制开/关状态,从而控制光束是否衍射。在模拟调制中,通过在指定范围内施加电压来控制射频功率,从而产生对衍射效率的控制,并及时形成波形。

    固定频率与可变频率电源:固定频率电源提供与声光器件匹配的单个输出频率。J9九游会提供频率在24-440MHz的固定频率电源通常用于调制,可通过模拟或TTL输入控制,还有些电源带有手动可调输出射频功率。可变频率和可编程频率射频电源可主动控制输出频率。压控振荡器(VCO)提供线性扫描(可变的)射频驱动频率,可灵活的用于任何声光器件。直接数字频率合成(DDS)电源提供可编程频率。可以从一个固定的时钟频率产生随机波形,它是脉冲整形和特殊功能的理想选择。DDS电源是由软件驱动的,可以用界面(GUI)运行,也可以通过计算机驱动程序命令直接控制。J9九游会的高性能多频DDS电源可同时产生多达8个射频通道。

    双电源

    双电源可将待合成的简单或复杂的数字波形转换为模拟信号,并放大来驱动声光器件。它极大的方便了用户使用;例如,它使电源可提供多个可编程频率或在多个复杂的定制波形之间自由交换。

    频率变化与控制

    J9九游会提供具有高稳定性和线性度、快速切换时间和高分辨率的直接数字频率合成(DDS)电源。它们能够从一个固定时钟频率产生任意波形,是脉冲整形和特殊功能的理想选择。DDS电源可以在两种模式控制,从GUI或通过驱动程序命令运行:1)随机访问,数字映射到特定频率;2)啁啾模式以频率递增来连续扫描。DDS电源也被称为DFS(数字频率合成器)电源。J9九游会的技术支持团队可为客户选型提供技术支持服务,也可为客户定制OEM产品。

    射频电源的应用

    声光器件的驱动和控制,包括调制器、偏转器、腔倒空驱动器、光纤耦合调制器、移频器、锁模器、多通道调制器、脉冲选择器、Q开关、可调滤波器。

    常用射频电源列表

    产品型号可兼容的声光器工作频率射频功率主要特点
    HP040-060-150ADG-A10-2X双频锗声光调制器40/60MHz单通道0-75W固定双频;双通道Ge声光器件、模拟和数字调制
    HP041-125ADG-A10锗声光调制器40.68MHz125W固定单频; 结构紧凑、模拟和数字调制
    97-02910-xx光纤Q80-350MHz≤4.0W固定单频;低功耗、模拟和数字调制
    97-03926-12偏转器、可调滤波器20-160MHz所有通道3.2W,单通道0.4W可编程频率;8通道DDS、模拟和数字调制
    97-02925-32偏转器、可调滤波器20-160MHz0.4W可编程频率;8通道DDS、模拟和数字调制
    3307系列电源光纤Q、移频器80-350MHz4.0W固定单频;低功耗、模拟和数字调制
    3910系列电源光纤Q、移频器、调制器45-500MHz0.25-8.0W固定单频;数字、模拟和数字+模拟调制
    MHPXXX-YYADM-A1光纤Q、调制器24-260MHz2-20W固定单频、模拟和数字调制
    MCX0XX-Y.YZC-MINx移频器、调制器40-80MHz0.5-2.5W固定单频;结构紧凑、模拟和数字调制
    64020-200-2ADMDFS-A 偏转器、调制器、可调滤波器20-200MHz2.0W可编程频率;单通道DDS 、模拟和数字调制
    64020-250-1ADMDFS-A偏转器、特殊调制器、可调滤波器20-250MHz1.0W可编程频率;单通道DDS、模拟和数字调制
    6000系列电源偏转器、可调滤波器20-450MHz2*15WN/A
    A35xxx-S-1/50-p4k7u 光纤Q、移频器、调制器40-300MHz0.1-5.0W固定单频;模拟和数字调制
    SD020-200-5UC-4x1可调滤波器20-200MHz5.0W可编程频率;单通道或多通道DDS、模拟和数字调制

    3910系列射频电源——新一代声光调制器电源

    3910系列射频驱动器是2910系列的优化升级的同时可兼容性2910系列,工作频率范围为80–500MHz,射频功率输出高达8W(在+28Vcc时),上升时间低至4ns。支持三种调制方案:数字、模拟和数字+模拟。这些驱动器具有将驱动器与外部时钟参考同步的可选功能,旨在驱动FiberQ调制器、移频器和声光调制器。

    3910系列射频电源——新一代声光调制器电源

    主要特征

    • 中心频率高达500MHz

    • 可选调制输入模式

    • 可调射频功率高达8W

    • 上升时间低至4ns

    • 同步外部参考时钟可选

    主要优势

    • 技术可靠

    • 高性能

    • 低功耗

    • 运行测试

    • 一年保修

    主要应用

    • 微加工

    • 材料加工

    • 激光显示器

    • 打印

    • 外差干涉法

    • 脉冲选择

    参数性能
    中心频率45–500MHz 固定的
    射频输出0.25–8.0W 可调(在+28Vcc时)
    输出电压 +Vcc+24-+28V
    二次谐波电平<-20dBc
    输出驻波比1.5:1最大值
    输出波形正弦曲线
    上升 / 下降时间4ns最大值 (频率≥250MHz)
    对比度50dB最小值
    模拟输入电压0–1V
    模拟输入阻抗50Ω
    数字输入电压标准TTL电平
    数字输入阻抗10kΩ
    频率稳定性+/-1.5 ppm 过温
    频率精度±1%
    温控传导冷却散热
    运行温度范围10℃ - 60℃
    选型代码例如:1200AFP-AD-2.5-40EC-24V

    3307系列射频电源

    3307系列射频驱动器提供高达4W的输出功率。各种类型覆盖了80-350MHz的频率范围。最大射频输出功率可通过内部电位器调节。该驱动器可用于模拟或数字调制控制。模拟调制电压将输出功率控制在调整后的最大功率的0到100%之间。数字调制控制信号可以打开和关闭射频功率,可以在高达载波频率25%的调制频率(模拟和数字)下运行,在更高的载波频率下最大为50MHz。铝制外壳实现了最佳的 EMC 屏蔽和机械保护。底板用于安装和散热目的。该驱动器提供许多选项,包括频率调谐、自动电平控制 (ALC) 和可将输出功率提高到20W的外部放大器,可驱动FiberQ调制器和移频器。

    3307系列射频电源

    主要特征

    • 频率范围80-350MHz

    • 射频功率高达4W

    • 射频开/关比≥35dB(数字/模拟调制)

    • 恒定输出功率设计

    • 提供调制频率高达50MHz的型号

    • 通过底板传导冷却

    • 结构紧凑

    主要应用

    • 用于腔外的快速调制,如激光投影系统

    • 移频

    参数性能
    工作频率80–350MHz
    电源电压+24V DC, +28V DC
    电源电流550mA标准,带Pout 0.35-1.5W@24V
     550mA标准,带Pout 0.35-1.5W@28V
     700mA标准,带Pout 2.0-4.0W@24V
     700mA标准,带Pout 2.0-3.0W@28V
     2000mA标准,带Pout 7.0W@24V
     2700mA标准,带Pout 20W@24V
    输出阻抗50Ω标准
    射频功率4W
    频率精度±0.1%
    谐波畸变@50Ω负载:≤-20dBc
    模拟输入阻抗50Ω
    模拟调制电压范围0 … +1V @50Ω
    模拟调制射频开/关比≥35dB
    数字调制阻抗50Ω标准
    数字调制电平标准 TTL
    数字调制射频开/关比≥35dB
    射频上升/下降时间
     (上升:10%至90%)
     (下降:90%至10%)
    12nsec@80MHz
     9nsec@110MHz
     7nsec@150MHz
     5nsec@200MHz
     4nsec@260MHz
     4nsec@350MHz
    输入阻抗频率调谐:标准1kΩ
    调频带宽3dB@90kHz
    频率范围
     50–100MHz
     75–150MHz
     150–280MHz
     200–380MHz
     270–430MHz
    输入电压
     +1.5-+15V标准
     +1.5-+15 V标准
     +2.0-+15 V标准
     +1.0-+15 V标准
     +2.5-+12 V标准
    射频输出(0W–全功率)
     +24V(Vcc)
     +28V(Vcc)
     +28V(Vcc)
     200–380MHz
     270–430MHz
    ALC 电压电平
     0–+21V标准
     0–+25V标准
     0–+5V标准
     0–+10V标准
    输出参考频率80, 110, 150, 200, 260&350MHz
    冷却方式
     Pout
     1.0W-1.5W
     2.5W-3.0W
     4.0W
    传导
     底板应连接到合适的散热片,能够消散:
     15W
     20W
     22W
    预热时间5min
    底板温度0℃至+60℃(为获得最佳输出功率稳定性,应提供恒定的基板温度)
    储存温度-25℃至+85℃(不结露)
    电源电压绝对最大值:+28 VDC
    模拟调制绝对最大值:-3.0V至+3.0 V
    数字调制绝对最大值:-4.3V至+4.3 V
    工作温度绝对最大值:+65℃(基板温度)
    重量0.24Kg
    尺寸(长x宽x高)102x29x80mm,外形图:(尺寸以英寸为单位)

    选型代码:根据要求提供其他频率和定制版本

    2910系列射频电源(97-02910-xx)

    2910系列射频驱动器提供高达4W的输出功率。各种类型覆盖了80至350MHz的频率范围。最大射频输出功率可通过内部电位器调节。该驱动器可用于模拟或数字调制控制。模拟调制电压将输出功率控制在调整后的最大功率的0到100%之间。数字调制控制信号可以打开和关闭射频功率。该驱动器可以在高达载波频率25%的调制频率(模拟和数字)下运行,在较高的载波频率下最大为50MHz。  铝制外壳实现了最佳的EMC屏蔽和机械保护。底板用于安装和散热目的,可驱动FiberQ调制器。

    2910系列射频电源

    主要特征

    • 频率范围80-350MHz

    • 射频功率高达4W

    • 射频开/关比≥60dB(数字调制)

    • 射频开/关比≥50dB(模拟调制)

    • 恒定输出功率设计

    • 提供调制频率高达50MHz的型号

    • 通过底板传导冷却

    • 结构紧凑

    主要应用

    • 用于腔外的快速调制,如激光投影系统

    • 移频

    参数性能
    工作频率80–350MHz
    电源电压+24V DC
    电源电流600mA标准,带 Pout 1.0W
     625mA标准,带 Pout 1.5W
     775mA标准,带 Pout 2.5W
     825mA标准,带 Pout 3.0W
     900mA标准,带 Pout 4.0W
     2700mA标准,带 Pout 20W
    输出阻抗50Ω标准
    射频功率最大:< 0.1W … > Pout(可调)
    频率精度±0.1%
    谐波畸变≤-20dBc
    模拟输入阻抗50Ω
    模拟调制电压范围0 … +1V@50Ω
    模拟调制射频开/关比≥50dB
    数字调制阻抗75Ω标准
    数字调制电平标准 TTL
    数字调制射频开/关比≥60dB
    射频上升/下降时间
     (上升:10%至90%)
     (下降:90%至10%)
    12nsec@80MHz
     9nsec@110MHz
     7nsec@150MHz
     5nsec@200MHz
     4nsec@260MHz
     4nsec@350MHz
    射频输出连接器SMA母头
    调制连接器SMC公头
    电源连接器输入:焊接端子(过滤馈通),接地:焊片
    冷却方式
     Pout
     1.0W-1.5W
     2.5W-3.0W
     4.0W
    传导
     底板应连接到合适的散热片,能够消散:
     15W
     20W
     22W
    预热时间5min
    底板温度0℃至+60℃(为获得最佳输出功率稳定性,应提供恒定的基板温度)
    储存温度-25℃至+85℃(不结露)
    电源电压绝对最大值:+28 VDC
    模拟调制绝对最大值:-1.5V至+1.5V
    数字调制绝对最大值:-0.5V至+0.5V
    工作温度绝对最大值:+65℃(基板温度)
    重量0.24Kg
    尺寸(长x宽x高)102x29x80mm;外形图:(尺寸以英寸为单位)

    选型代码:可根据要求提供其他频率和定制版本

    A35系列射频驱动电源A35xxx-S-1/50-p4k7u

    A35系列射频驱动器系列提供高达5W的输出功率。各种类型覆盖从40到350MHz的频率范围。最大射频输出功率可通过内部电位器调节。模拟调制电压将输出功率控制在调整后的最大功率的0到100%之间。除了模拟调制电压之外,数字调制控制信号可以打开和关闭射频功率。模拟和数字调制都具有至少65dB的开关电流比。驱动器可以在高达25%的载波频率和最大50MHz的调制频率(模拟和数字)下运行。铝制外壳实现了最佳的EMC屏蔽和机械保护。底板用于安装和散热。可驱动FiberQ调制器、移频器和声光调制器。

    A35系列射频驱动电源A35xxx-S-1/50-p4k7u

    主要特征

    • 频率范围:40-350MHz

    • 射频功率高达5W

    • 射频开/关比≥65dB

    • 恒定输出功率设计

    • 提供调制频率高达50MHz的型号

    • 通过底板传导冷却

    • 体积。绱牌帘

    主要应用

    • 用于腔外的快速调制,如激光投影系统

    • 移频

    参数性能
    射频输出功率最大值:>5W (+37dBm)(可调),调整范围:< 0.1W … >5W
    电源电压+24V DC
    电源电流常规值1.5A@5W射频输出功率
    输出阻抗50Ω标准
    射频功率最大:< 0.1W … > Pout(可调)
    频率精度<±25ppm
    谐波畸变≤-26dBc
    模拟输入阻抗50Ω
    模拟调制电压范围0 … +1V@50Ω
    模拟调制射频开/关比≥65dB
    数字调制阻抗4.7 kΩ(pull-up)
    数字调制电平High = ≥ 3V … 5V (= RF on) **, Low = 0 … < 2V (= RF    off)
    数字调制射频开/关比> 100dB
    射频输出频率40 … <80MHz, 80 … <140MHz, 140 … <200MHz, 200 …    350MHz
    冷却方式传导时,底板必须连接到合适的散热片上,散热片能散热36W
    预热时间10分钟达到最佳稳定性
    底板温度0℃至+60℃(为获得最佳输出功率稳定性,应提供恒定的基板温度)
    储存温度-25℃至+70℃(不结露)
    电源电压绝对最大值:+26VDC
    模拟调制电压范围绝对最大值:-0.5 V … +1.1 V @ 0 … +1 V
    数字调制电平绝对最大值:-0.5 V … +5.5 V
    工作温度绝对最大值:+65℃(基板温度)
    重量360g
    尺寸(长x宽x高)外壳:120x50x36mm,安装平面:120x70mm;外形图:(尺寸单位为mm)

    模数调制操作方案选型代码:可根据要求提供其他频率和定制版本

    射频驱动电源MHPXXX-YYADM-A1

    MHPxxx-yyADM-A1系列电源(前型号  N31xxx-yyADM)工作频率为24–260MHz,标准射频输出功率为2至20W,最大输出功率由内部电位器设置,带有模拟和数字调制,在50Ω负载时输出高达20W。该驱动器设计用于驱动声光调制器。

    主要特征

    • 低功率、高功率和高VSWR故障保护

    • 固定单频

    参数性能
    输出频率24MHz-260MHz ±0.01%石英晶体稳定
    杂散电平-40dBc最大值
    谐波畸变-15dBc最大值
    模拟输入0-1V 50Ω (+1V =最大射频功率; 0V = 最小射频功率)
    数字输入TTL电平(TTL高电平=最大射频功率; TTL低电平=最小射频功率)
    消光比40dB最小值
    射频上升/下降时间30ns最大值, 20ns 常值l, 10ns >210MHz(PRF: 10-90%)
    射频输出功率 (yy)2-20W 标准值。最大输出功率由内部电位器设置
    输出阻抗50Ω标准
    供电电压+24VDC +0.5V
    供电电流3A最大值
    空气流过散热器18CFM @25℃
    尺寸(长x宽x高)5.43"x2.42"x3.90" ;外形图:(尺寸单位为英寸)

    射频驱动电源97-03926-12

    射频驱动电源97-03926-12工作频率为20–160MHz,所有通道射频输出功率为3.2W,每个通道 0.4W, 50Ω负载,具有模拟和数字调制,该射频驱动器设计用于驱动声光偏转器和可调谐滤波器。

    主要特征

    • 低功率、高功率和高VSWR故障保护

    • 可编程频率;8通道DDS,每个通道上的独立线性幅度调制和频移调制

    型号160T2-8SAR-24-3.2B
    频率范围20-160MHz
    频率分辨率0.1Hz
    频率稳定性±2ppm/℃
    频率预加载时间<8us
    频率切换时间<80ns
    射频输出功率标准:所有通道 3.2W,每个通道 0.4W
    调制带宽>2MHz
    动态范围>35dB
    互相调制>41dB
    杂散>45dBc
    信噪比>75dB
    输出阻抗50Ω
    调幅输入电平0-10V
    FSK调制输入电平3.3V
    消隐输入电平3.3V
    数字控制ASCII
    传感器输入±3.3V
    直流电源输入24V@2A
    外形尺寸165x132x25mm;外形图:(尺寸单位为英寸)

    射频驱动电源97-02925-32

    射频驱动电源97-02925-32工作频率为20–160MHz,射频输出功率为0.44W,50Ω负载,具有模拟和数字调制,该射频驱动器设计用于驱动声光偏转器和可调谐滤波器。

    主要特征

    • 低功率、高功率和高VSWR故障保护

    • 可编程频率;8通道DDS,每个通道上的独立线性幅度调制和频移调制

    型号160T1-1SNR-12-0.4J
    频率范围20-160MHz
    频率分辨率0.1Hz
    频率稳定性±2ppm/℃
    频率预加载时间<10us
    频率切换时间<20ns
    射频输出功率0.4W
    射频输出增益调整30dB
    调制带宽>2MHz
    动态范围>40dB
    互相调制>40dB
    杂散>30dBc
    信噪比>90dB
    输出阻抗50Ω
    调幅输入电平0-10V
    FSK调制输入电平3.3V
    消隐输入电平3.3V
    数字控制ASCII
    传感器输入±3.3V
    直流电源输入12V@1A
    尺寸165x132x25mm;外形图:(尺寸单位为英寸)

    射频驱动电源64020-200-2ADMDFS-A

    射频驱动电源64020-200-2ADMDFS-A是一个带模拟和数字调制输入的数字频率合成器的OEM?楹2W射频输出电源。工作频率为20–200MHz,50Ω负载,此电源可用于产生频率啁啾。交付产品是按照欧盟减少有害物质条款2002/95/EC的要求来生产的,该射频驱动器设计用于驱动声光偏转器、调制器和可调谐滤波器。

    主要特征

    • 低功率、高功率和高VSWR故障保护

    参数规格
    频宽20–200MHz 常规
    时钟频率1000MHz
    步长:<1Hz 30位输入
    频率切换时间250ns最大值
    输出功率2W常规
    谐波畸变二级:-20dBc 最大值; 三级:    -15dBc最大值
    模拟调制模拟0至+1V,50Ω, +1V=最大射频功率输出
    数字调制1) TTL电平;
     2) TTL高电平=最大射频功率输出;
     3) TTL低电平=最小射频功率输出;
     4) 无信号=最大射频功率输出(内部拉高)
    上升和下降时间20ns
    消光比:数字/模拟30dB最小值/40dB最小值
    参考输出合成器未调制输出的参考信号。+0dBm(标准值)
    应用功率+ 28V DC@1A最大值;+3.3V DC@1A最大值
    环境温度400℃
    射频输出无DC反馈
    +28V,+3.3V,和接地过滤式馈通
    模式输入SMC公头
    参考输出SMC公头
    射频输出SMA母头
    “频率选择”控制二进制30位TTL、数字调制输入、复位,通过D型37针连接端子的锁存控制输入

    射频驱动电源64020-250-1ADMDFS-A

    射频驱动电源64020-250-1ADMDFS-A是一个带模拟和数字调制输入的数字频率合成器的OEM?楹1W射频输出电源。工作频率为20–250MHz,50Ω负载,此电源可用于产生频率啁啾。交付产品是按照欧盟减少有害物质条款2002/95/EC的要求来生产的,该射频驱动器设计用于驱动声光偏转器、调制器和可调谐滤波器。

    参数规格
    频宽20–250MHz 常规
    时钟频率1000MHz
    步长:<1Hz 30位输入
    频率切换时间310ns最大值
    输出功率1W常规
    谐波畸变二级:-20dBc 最大值; 三级: -15dBc 最大值
    模拟调制模拟0至 +1V, 50Ω, +1V = 最大射频功率输出
    数字调制1) TTL电平;
     2) TTL高电平=最大射频功率输出;
     3) TTL    低电平=最小射频功率输出;
     4) 无信号=最大射频功率输出(内部拉高)
    上升和下降时间20ns
    消光比:数字 / 模拟30dB最小值/40dB最小值
    参考输出合成器未调制输出的参考信号。+0dBm (标准值)
    应用功率+28V    DC@1A最大值;+    3.3V DC@1A 最大值
    环境温度400 C
    射频输出无DC反馈
    +28V,    +3.3V,和    Gnd过滤式馈通
    模式输入SMC公头
    参考输出SMC公头
    射频输出SMA母头
    “频率选择”控制二进制30位TTL、数字调制输入、复位,通过D型37针连接端子的锁存控制输入

    6000系列射频驱动电源(15W输出–配置操作)

    6000系列驱动器工作频率为20–450MHz,射频输出电源功率为15W,提供两个独立的射频通道并带有速并行接口和USB控制。该电源非常适合于控制二维相控阵声光光束偏转器(MUX模式),也可用于驱动两个用于二维扫描的单一声光光束偏转器(双通道模式)。该电源能更好的控制声光可调滤波器(多音模式),其任意波形回放功能使多个波长可与可调滤波器同时衍射,光束偏转器也可产生多个光斑。具有快速并行频率编程接口的两个独立的15W射频放大器封装在一起。可通过用户界面设置口令控制也可通过附带的USB接口进行远程控制。后面板上带有双振幅和相对相位控制输入的并行接口连接器。功能包括动态频率啁啾控制。全数字选项允许对频率、振幅和相位进行高速编程。开机默认为独立模式,不需要PC控制;连接USB连接可启用主机PC模式。J9九游会也提供单通道版本。6000系列电源有三个频段,每个频段都包括20-450MHz频段监控输出。其功能可以通过USB接口重新配置。

    6000系列射频驱动电源

    主要特征

    • 两个15W独立射频输出

    • 频率编程的并行接口

    • 定制波形的回放功能

    • USB接口和压缩指令设置

    • 20-450MHz,三个频段:

      • (1)低频段20-150MHz;

      • (2)中频段40-245MHz;

      • (3)高频段140-450MHz

    • 重新配置功能

    • 定制波形的回放功能

    • 幅度和相位调制

    主要优势

    • 双射频输出

    • 主机控制或快速接口

    • 功能重新配置

    主要应用

    • OEM 声光偏转器/可调滤波器系统

    • 钻孔/微加工系统

    • 光学检查系统

    参数规格
    输出频率范围:
     低频段
     中频段
     高频段

    最小值20MHz,最大值150MHz
    最小值40MHz,最小值245MHz
    最小值140MHz,最大值450MHz
    射频输出功率最小值15W
    射频功率平坦度最小值±0.5dB跨过频带,额定功率
    二次谐波畸变-25 dBc(额定射频输出功率下)
    非谐波无杂散动态范围最小值-50 dBc
    标准输出波形正弦曲线
    独立射频输出2
    每个输出的可编程音节数5
    频率分辨率最小值1kHz
    频率稳定性最大值±0.5Ppm(15℃- 50℃环境温度)
    频率稳定时间最大值200ns(锁存信号关闭后)
    频率更新率25MHz(并行接口)
    振幅控制(模拟输入)范围每个输出通道40dB
    振幅消隐最小值80dB
    相对相位控制(模拟输入)范围最大值±180°
    幅度/相位控制调制频宽最大25MHz
    直流电压输入范围最小值24 V,最大值28V
    系统直流总功率100W
    回放功能波形文件大小最大值300k样本(1 GHz时钟/输出 )
    工作温度范围(环境温度)15℃-50℃
    外形尺寸7.27''x4.98''x1.65'';外形图:(尺寸单位为英寸)

    命令设定 (通过USB接口的主机PC模式)

    指令行动
    Freq X, YYY设置通道X(1或2)上的输出频率YYY(MHz)
    Amp X, YY设置通道X(1或2)上的输出功率YY(00–99)
    Pha YYY将相对相位设置为YYY(0到360度)S
    Latch X通道X的锁存命令,锁存预加载的FTW
    软启动允许USB控制输出功率水平
    软关机将系统还原为硬件模式,需要模拟幅度控制

    接口描述

    接口定义 连接电平输入 /输出    分配
    并行接口, Ch #1, #2MDR mini-D 68 pin (x2)TTL频率 [19:0], 备用 (5), latch输入 (1), 触发输入 (1), 空    (1), 同步信号 (1), 状态输出 (1)
    调幅输入SMB (x2)0–1VCh #1, Ch #2
    相位调制输入SMB (x1)0–1V通道间相对相位
    USBUSB mini-BUSBUSB 2.0
    主要射频输出SMA (x2)射频输出主路射频输出端
    射频输出SMA (x2)辅路输出辅路射频输出端 20-450MHz
    主直流电源输入2mm 电源插座24–28 VDC直流电源输入

    125W锗声光调制器射频电源: HP041-125ADG-A10

    锗声光调制器射频电源HP041-125ADG-A10工作频率为40.68MHz,射频输出功率高达125W。此电源驱动器可在高达1MHz的调制频率(模拟和数字)下工作。为防止腐蚀所有的水冷部件由铜制成。此电源是通过铝制外壳和导电钝化来实现电磁屏蔽和机械保护的。本产品符合欧盟的2011/65/EU号欧盟指令的要求即限制在电气和电子设备中使用某些有害物质的。

    125W锗声光调制器射频电源

    主要特征

    • 射频输出功率高达125W

    • 铜制水冷通道

    • 恒定输出功率设计

    • 高SWR和过热保护

    • 全屏蔽紧凑型外壳

    主要应用

    • 工业(材料加工)

    • PCB钻孔

    • 打标和切割

    • 导光板加工

    • 微穿孔

    参数规格
    供电电压+24
    供电电流最大值. 12.5@125W输出功率
    射频输出功率最大:(可调节):> 15W/mm? *,调节范围:<    1 … >125W
    输出阻抗50Ω
    射频开关比>50dB
    模拟调制阻抗600Ω
    模拟调制电压范围0…+10V@50Ω,电压范围对应于电位计预调节的最大射频输出功率的0到100%
    数字调制4.7kΩ(pull-up)
    数字调制阻抗高 = ≥ 3V…5V(=RF开启)
    数字调制电平低 = 0 … < 2V(=RF关闭)
    最大调制频率1 MHz(数字和模拟)
    射频输出频率40.68MHz
    谐波畸变< -30dBc
    上升/下降时间模拟调制:<80 ns (10…90%),数字调制:<80 ns (10…90%)
    射频输出连接器BNC母头
    控制连接器D-Sub25极,用于引脚分配的母头
    电源线2x750±50mm    H07V-K 1.5mm?
    红色(或黄色)+ VS(24 VDC)
    黑色(或紫色)CGND(外壳接地)
    冷却水冷。冷却块材料:铜,2 x G 1/4'' 螺纹,配有    6mm推入式连接器
    流量低于25?C 时超过 1 升/分钟
    预热时间10min,获得最佳稳定性
    操作箱温度<+50°C,安全停机≈55°C
    储存温度-20°C…+65°C,不结露
    绝对最大额定值:
     最大供电电压
     模拟调制
     数字调制电平
     最高工作温度
    +26 VDC
     -0.5 V … +11 V
     -0.5 V …    +5.5 V
     +55°C 散热器/基板温度
    控制连接器D-Sub 25极 内螺纹,引脚分配(除非另有说明,否则所有信号均为机壳接地(CGND))
    重量1470g
    尺寸(长x宽x高)200x100x52.5mm;外形图:(尺寸单位为mm)

    引脚分配

    Pin1:RF ON状态(out)Pin10:调制接地(MGND)
    Pin2:SWR故障指示(out)Pin11:模拟调制2(参考MGND)
    Pin3:电源温度故障指示(out)Pin12:模拟调制1(参考MGND)
    Pin4:复位SWR故障/初始化(in)Pin13:功率电平选择(参考MGND)
     低→选择模拟模式。
     高→选择模拟模式。
    Pin5:联锁2故障指示(out)
    Pin6:联锁2(in)
    Pin7:联锁1(in)Pin14…22:底盘接地(CGND)
    Pin8:联锁1故障指示(out)Pin23…24:调制接地(MGND)
    Pin9:电源温度监控(out)Pin25:未连接

    模数调制操作方案

    双频锗声光调制器射频电源: HP040-060-150ADG-A10-2X

    双频锗声光调制器射频电源HP040-060-150ADG-A10-2X工作频率为5MHz,提供高达150W的组合输出功率,旨在驱动双频锗声光调制器。此电源可在调制频率(模拟和数字)高达1MHz(用于射频幅度控制)和高达5MHz(用于驱动频率控制)的情况下工作,为防止腐蚀所有的水冷部件由铜制成。此电源是通过铝制外壳和导电钝化来实现电磁屏蔽和机械保护的。本产品符合欧盟的2011/65/EU号欧盟指令的要求即限制在电气和电子设备中使用某些有害物质的。

    双频锗声光调制器射频电源

    主要特征

    • 射频输出功率高达150W

    • 铜制水冷通道

    • 恒定输出功率设计

    • 高SWR和过热保护

    • 全屏蔽紧凑型外壳

    主要应用

    • 工业(材料加工)

    • PCB钻孔

    • 打标和切割

    • 微穿孔

    参数规格
    供电电压+24
    供电电流典型值:15 A @ 150W 射频输出功率
    通道数2
    射频输出功率最大:> 75W CW 每通道(可调)*,调节范围:< 1 … >75W 每通道
    输出阻抗50Ω
    射频输出频率40 MHz 和 60 MHz 可切换(40 和    60 MHz 通道之间的射频信号相移)
    频率精度< ±50 ppm
    频率稳定性< ±50 ppm
    消光比> 40 dB
    谐波畸变< -26dBc @ 75W/通道
    杂散电平< -50 dB
    模拟调制阻抗600Ω
    模拟调制电压范围0 … +10    V@ 50 Ω,(0…+5V 选项)(电压范围对应于电位计预调节的最大射频输出功率的 0 到 100%。)
    数字/频率调制阻抗4.7 kΩ(pull-up)
    数字/频率调制电平TTL 兼容(V_IL = 0.8V,V_IH = 2.0V),逻辑高 = RF On / 40MHz,逻辑低 = RF Off / 60MHz
    最大调制频率幅度 – 数字和模拟:1 MHz,驱动频率:5 MHz
    上升/下降时间数字/模拟调制(10 … 90%):< 100 ns
    射频输出连接器2 x BNC 母头
    控制连接器D-Sub 15-pole, 公头用于针脚分配
    电源连接一次:Molex 03-09-2021;配合:Molex 03-09-1022(外壳),02-09-1104(压接触点);
     二次:焊接式连接器或引脚极性分配
    冷却冷却块材料:铜,2 x    G 1/4'' 螺纹,配有 6mm 推入式连接器
    流量在 250C ± 100C 时超过 2 升/分钟
    冷却液压力<100psi(6.9bar)
    输出指示:
     联锁监视器
     驱动温度
     射频状态
     驻波比
    联锁正常 = 低,联锁故障 = 高
     温度正常 = 低,超过安全温度 = 高
     射频开 = 低,射频关闭 = 高
     VSWR 正常 = 低,超过 VSWR = 高
    环境条件
     预热时间
     工作外壳温度
     贮存温度
    5 分钟以获得最佳稳定性
     0°C ... +65°C,不结露
     -20°C ... +85°C,不结露
    绝对最大额定值:
     最大供电电压
     模拟调制电压范围@0...+5V
     模拟调制电压范围@0...+10V
     数字调制电平
     电压范围
     电流吸收器
    +26 VDC
     -0.5 V    ... +5.5 V
     -0.5 V ... +11.0 V
     -0.5 V ... +5.5 V
     -0.5 V ... +30 V
     20 mA
    控制连接器D-Sub 15-pole, 公头用于针脚分配(除非另有说明,否则任何信号均指地 (GND))
    重量4kg
    尺寸(长x宽x高)240 x 110 x 123mm;外形图:(尺寸单位为mm)

    引脚分配

    Pin1:联锁(in)Pin9:接地
    Pin2:联锁故障指示灯(out)Pin10:接地
    Pin3:温度报警指示灯(out)Pin11:接地
    Pin4:射频状态指示灯(out)Pin12:接地
    Pin5:驻波比故障指示灯(out)Pin13:接地
    Pin6:模拟调制(in)Pin14:接地
    Pin7:数字调制(in)Pin15:接地
    Pin8:频率选择(in)

    Brimrose射频驱动器、声光调制器电源

    固定频率射频驱动器配置

    类型实验室版本OEM版本
    型号#FFA-____*-(B1 或 B2)-F____**-ER5
    载波频率____MHz
    频率控制锁相环路石英晶体
    谐波内容≤-15dB
    频率稳定性预热15分钟后0.0015%
    输出功率利用所配型的声光调器优化功率以达到峰值效率
    调制B1 调制输入模拟幅度; DC-50 MHz 0-1V,50Ω输入阻抗
    调制B2 调制输入TTL兼容; DC-50 MHz 0-5V,330Ω输入阻抗
    运行功率90-240VAC ±10% 50-60Hz,最大55W+24VDC, 1A
    外壳采用宽7.5英寸、高3.5英寸、深8.75英寸的仪器箱包装。后面板散热器将深度增加到最大10.5英寸。尺寸不包括连接器。OEM外壳,包装在宽4英寸、高1.6 英寸、深4英寸的仪器箱中。尺寸不包括连接器。
    环境标准实验室条件:最高环境温度+35℃;设备未密封以防潮或冷凝湿气。提供可拆卸的交流电源线。最高温度:0-3℃环境。安装法兰必须散热。安装法兰处的温度不得超过60℃。
    选项 ER50B2调制的50dB幅度消光比。 系统消光比约为43dB

    * 载波频率由 AO 调制器定义;** 输出功率符合 AOM 要求

    变频射频电源配置

    型号VFB-XX-YY-V-A-F2VFE-XX—YY-V-A-F2
    输出频率范围对应声光调制器的要求匹配2-D AOD的外调谐电压控制
    调谐电压0 - 10V 模拟 (-2 -    +20VDC无损)
    频率精度15分钟预热后为1%, 恒温
    扫描速度50us从最小频率到最大频率带调谐电压阶跃变化
    输出功率利用所配型的声光调器优化功率以达到峰值效率
    调制类型模拟振幅或TTL兼容(可。模拟振幅;DC-10MHz/单通道
    调制输入50Ω; 0-1V  或330Ω; 0-5V50Ω; 0-1V 
    运行功率90-240 VAC, +-25%,    50-60Hz
    外壳该装置将包装在一个240mm(9.75英寸)宽90mm(4英寸)高220,(8.75英寸)深的仪器箱中。后面板散热器宽度增加到240mm(9.75英寸)。尺寸不包括连接器。
    环境标准实验室条件:最高温度为+35℃。该装置没有防潮或防冷凝密封

    STQDP系列声光调制器驱动器

    STQDP系列声光调制器驱动器

    STQDP系列声光调制器驱动器为全新设计,是一款中低功率的射频驱动器,适用于驱动皮秒等短脉冲激光器挑选脉冲(降频)的声光调制器开关,当然也可以用于其他射频领域。完全自主创新的产品,和其他产品相比,突出可靠性和性价比,结构紧凑,射频输出稳定,抗干扰能力强,可靠性高,是声光调制器开关的理想驱动源。

    型号STQDPxxx-yyW-zzV-a
    输出频率200 MHz
    输入调整信号电平-D 型号: TTL,输入阻抗 75Ω
     -A 型号: ANALOG,0-1V 输入,输入阻抗 51Ω
     -A5 型号: ANALOG,0-5V 输入,输入阻抗 51Ω
     -AD 同时接受 TTL 和 ANALOG 信号(0-1V)。
    RF上升/下降时间≤10 ns
    RF输出功率电位器可调,最高功率5W
    RF输出阻抗50Ω
    供电电压12V、15V可选
    供电电流<1.5A,依额定功率而变
    工作温度条件热沉温度应介于10°~ 55°,驱动器的热沉面必须装于一个散热面,或散热器上,且此散热面或散热器必须有20W的散热能力。
    储存温度-20°~ +85
    外型尺寸95*75*25mm,可提供更小尺寸:49*68*22mm

    订购信息: STQDPxxx-yyW-zzV-a

    xxx: 是指输出频率,单位 可选值:  200MHz、80 MHz、68 MHz和40.68 MHz、
     yy: 是指射频额定输出功率,单位  例如:2.5W,可选1~5W
     zz:是指直流供电电压,单位  可选12 V或15 V
     a: 是指出厂接口形式(可自定义),可选值:A,D,AD
     A:  模拟接口,0-1V,输入阻抗 51Ω
     A5:  模拟接口,0-5V,输入阻抗 51Ω
     D:  数字接口,输入阻抗 75 Ω
     AD:  数字、模拟信号(0-1V)同时具备

    例如: STQDP200-2.5W-15V-D,即输出频率200MHz,额定输出  功率2.5W, 15V供电,出厂默认接口为数字接口。

    QSD系列声光Q开关电源(Q驱)

    用途及性能

    QSD声光Q开关电源是针对不同的激光应用领域设计的高品质声光Q开关(Acousto-Optic Q-switch)驱动电源,它能接受外部的控制信号,产生相应的射频信号加到Q开关元件上对激光进行Q调制,使用非常方便。

    QSD系列声光Q开关电源

    技术参数

    • 射频输出功率:≥50W,75W或100W

    • 工作频率:27.125MHz

    • 驻波比:≤1.2 : 1

    • 内部设有800Hz-50KHz调制频率

    • 具有首脉冲抑制功能

    • 外部信号输入接口、外部频率输入接口 (TTL,外控频率可高达100kHz以上)

    • ?榧苫峁.免焊接维修更换部件

    • Q头温度保护接口

    • 内置温度保护、过流保护

    • 数显频率表显示内频、外频

    • 输入电压可选AC220V/AC110V.,输入功率<150W.

    设备型号:QSDxxyy

    • QSD – QSD系列Q开关驱动器

    • Xx ----- 射频频率,27代表27MHz,24代表24MHz

    • Yy ----- 射频功率,单位W,50代表50W,75代表75W

    常型号有QSD2750,QSD2775,QSD27100等。

    机器外形和重量:

    QSDxxyy系列:19英寸2U上架式机箱 (483×88×270mm,重量5.5kg)

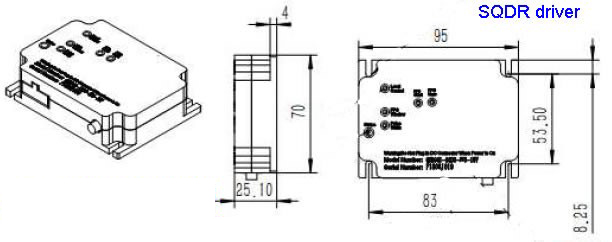
    SQDR系列紧凑型低功率声光Q电源(Q驱)

    SQDRxxx-yyDC-zzz-AAV电源与QC0xx-yyDC-zzz电源类似,功能和外形尺寸基本一样,外形尺寸为  95x70x25mm,但价格便宜。

    SQDR系列紧凑型低功率声光Q电源(Q驱)

    SQDR系列声光Q 的射频驱动器射频频率主要为40.68MHz和80MHz两个频率的产品,其它频率的产品可根据客户需要定制。功率范围为:0~20W,最大可以调到24W。控制模式主要为:

    1. 首脉冲抑制(FPS)

    2. 预脉冲杀死(PPK)

    3. 模拟控制的开关模式(R05)

    4. 模拟控制自由模式(A05)

    出厂的时候,每台声光Q驱动器都会标上出厂模式,如FPS 模式。

    主要技术参数:

    • 输出频率:40.68 MHz和80.00MHz

    • 数字输入:(PIN3、PIN5,PIN2):0~500K 的TTL 信号

    • 模拟输入:(PIN6):0~5V 电压信号

    • 同步输出:3.3V 的电压数字信号

    • 使能(PIN11)和过零信号(PIN7):TTL 信号

    • 控制模式:1、首脉冲抑制(FPS);2、预脉冲杀死(PPK);3、模拟控制的开关模式(R05);4、模拟控制自由模式(A05)

    • 输出阻抗:50 欧姆

    • 供电电压和电流:+15VDC, <3A

    • 储存温度:-20℃~+85℃

    • 散热器:45W 的散热能力

    型号说明: SQDRxxx-yyDC-zzz-AAV

    • XXX:射频频率,xx=041(40.68MHz)、=68(68MHz)或=80(80MHz)。

    • YY:射频输出功率 (yy=2-24,W)。

    • ZZZ:首脉冲抑制方式(zzz=FPS, PPK, R05, A05)。

    • D:D为数字调制输入;A为模拟调制输入。

    • C:C为M时是OEM型;C为S时是19寸标准控制盒。

    • AAV:输入电源直流电源,为12VDC、15VDC或24VDC,出厂时设定。

    型号例子:SQDR041-20DC-FPS-15V,41MHz OEM型射频电源,输出20W,数字调制输入,带首脉冲抑止,要求输入直流电源15V。

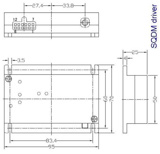
    SQDM系列紧凑型低功率声光Q电源(Q驱)

    紧凑型低功率声光Q电源(Q驱)

    SQDMxxx-yyDC-zzz-AAV电源与QC0xx-yyDC-zzz电源类似,功能和外形尺寸基本一样,但价格便宜。

    型号说明: SQDMxxx-yyDC-zzz-AAV

    • XXX:射频频率,xx=041(40.68MHz)、=68(68MHz)或=80(80MHz)。

    • YY:射频输出功率 (yy=2-24,W)。

    • ZZZ:首脉冲抑制方式(zzz=FPS, PPK, R05, A05)。

    • D:D为数字调制输入;A为模拟调制输入。

    • C:C为M时是OEM型;C为S时是19寸标准控制盒。

    • AAV:输入电源直流电源,为12VDC、15VDC或24VDC,出厂时设定。

    型号例子:SQDM041-20DC-FPS-15V,41MHz OEM型射频电源,输出20W,数字调制输入,带首脉冲抑止,要求输入直流电源15V。

    STZ系列紧凑型低功率声光Q电源(Q驱)

    STZ系列Q驱的射频工作频率有41MHz和80MHz两种。驱动器带驻波检测及保护功能,此功能可对空载和短路提供充分的保护,同时电缆和负载异常使驻波比严重异常时也可启动保护,确保驱动器的安全,另外保护具有自恢复能力,即当导致驻波保护启动的因素排除时(如电缆接触不良到可靠连接时)驱动自动恢复正常工作状态,不需掉电重启,这对故障排除具有重要意义。

    STZ系列紧凑型低功率声光Q电源(Q驱)

    本驱动器总共有5个可调节旋钮,分别标记为Prf、PulseWidth、FPSWindow、FPS Slope、FPS Start,其功能如下:

    • Prf:最大输出功率调节,顺时针调节功率增加、逆时针调节功率减少,可调节范围0~20W±10%

    • PulseWidth:TTL_Fixed宽度设定,顺时针调节出光时间增加、逆时针调节出光时间减少,可调节范围0.8us~25us±10%(仅DB9第3脚定义为TTL_Fixed时有效)

    • FPSWindow:FPS窗口时间调节,顺时针调节FPS时间增加、逆时针调节FPS时间减少,可调节范围20us~350us±10%

    • FPS  Slope: FPS三角波斜率调节,顺时针调节斜率增加、逆时针调节斜率减小

    • FPS  Start:FPS起始电平调节,顺时针调节起始电平增加、逆时针调节起始电平减小

    射频输出有多钟模式,方便客户使用:

    • 模式1A:纯数字模式、上升沿及高电平出光,不出光期射频固定。

    • 模式1B:纯数字模式、下降沿及低电平出光,不出光期射频固定。

    • 模式1C:射频功率可调纯数字模式、上升沿及高电平出光,不出光期射频由ANALOG电压决定)。

    • 模式1D:射频功率可调纯数字模式、下降沿及低电平出光,不出光期射频由ANALOG电压决定。

    • 模式2A:FPS模式、上升沿及高电平出光、不出光期射频为最大、FPS窗口期出光射频由内部三角波决定,非FPS窗口期出光射频为0 。

    • 模式2B:FPS模式、下降沿及低电平出光、不出光期射频为最大、FPS窗口期出光射频由内部三角波决定,非FPS窗口期出光射频为0 。

    • 模式3:纯模拟模式、射频完全由ANALOG控制,ANALOG电压为射频包络线。

    • 模式4A:模数混合模式、上升沿及高电平出光、不出光期射频为最大、出光期射频由ANALOG决定。

    • 模式4B:模数混合模式、下降沿及低电平出光、不出光期射频为最大、出光期射频由ANALOG决定。

    • 模式4C:模数混合模式、上升沿及高电平出光、出光期射频为0、不出光期射频由ANALOG决定。

    • 模式4D:模数混合模式、下降沿及低电平出光、出光期射频为0、不出光期射频由ANALOG决定。

    • 模式5A:FPS模数全混合模式、上升沿及高电平出光、不出光期射频为最大、出光期射频由ANALOG及内部产生的FPS三角波电压共同决定、FPS窗口期ANALOG电压必需为0 。

    • 模式5B:FPS模数全混合模式、下降沿及低电平出光、不出光期射频为最大、出光期射频由ANALOG决定、FPS窗口期ANALOG电压必需为0。

    主要技术参数:

    • 电源额定输入电压15~24V(允许电压范围14.5~24.5VDC),纹波≤100mV

    • FPS、TTL_Fixed、TTL_Varibale输入阻抗10KΩ±10%

    • ANALOG输入阻抗10KΩ±10%

    • FPS、TTL_Fixed、TTL_Varibale低电平电压范围-0.5~0.8V, 高电平电压范围2.5~5V

    • ANALOG输入电压范围0~5V

    • FPS输入宽度1~350uS,FPS输入宽度为1~20uS时,FPS窗口期由FPSWindow旋钮决定,否则由FPS及FPSWindow时间长的决定(可将FPSWindow调到最。肍PS信号直接控制窗口时间或将FPS信号设置小于20uS,用FPSWindow旋钮控制窗口时间两种模式)

    • TTL_Fixed输入宽度范围50ns~TTL_Fixed周期-500ns

    • TTL_Variable有效输入范围500ns~TTL_Variable周期-500ns(2脚如接地指低电平范围)

    • TTL_Fixed输出宽度范围0.8us~25us±10%,由PulseWidth旋钮决定

    • 最短射频工作时间500ns

    • 最短出光时间500ns

    • 射频下降沿时间<20ns(仅纯数字模式及其它模式的纯数字期间,其它情况由模拟信号决定)

    • FPS窗口期范围20~350us±10%,由FPS信号宽度及FPSWindow旋钮共同决定

    • 最大射频输出功率Pmax=20W±10%,最大输入功率45W±10%

    • 输出功率范围0~Pmax,由Prf旋钮决定

    • 外形尺寸:100x70x25mm

    型号说明: STZxxx-yyD-zzz

    • XXX:射频频率,xx=041(40.68MHz)、或=80(80MHz)。

    • YY:射频输出功率 (yy=2-20,W)。

    • ZZZ:首脉冲抑制方式(zzz=FPS, TTLF或TTLV)。

    • D:D为数字调制输入;A为模拟调制输入。

    您可能感兴趣的文章