J9九游会


激光器声光器件和电光器件光学元器件激光配件激光仪器与工具工业自动化
Impact系列普克尔盒
Chiron系列普克尔盒
QX系列普克尔盒
IRX系列普克尔盒
QX1014A短路径普克尔盒
TX系列普克尔盒
RTP晶体电光Q开关,普克尔盒
Impact系列普克尔盒
Chiron系列普克尔盒
QX系列普克尔盒
IRX系列普克尔盒
QX1014A短路径普克尔盒
TX系列普克尔盒
RTP晶体电光Q开关,普克尔盒

普克尔盒,电光Q开关

时间:2020-05-18 类别:声光器件和电光器件 关注:19939

固体激光器最理想的光开关,为激光应用提供可靠和稳定的性能

普克尔盒是通过外加电压引起电光晶体双折射的变化来改变光的偏振态。J9九游会提供工业标准QX系列,经济型的IMPACT系列,大孔径的TX普克尔盒。这些KD * P,KTP和BBO晶体的普克尔盒广泛用于激光腔的调Q,锁模激光器的腔倒空,高重频再生放大器控制和光学斩波器中。RTP属于KTP晶体家族,是500~3000nm光谱范围内的最佳材料,RTP的出色光电性能以及高损伤阈值使其可用于许多领域的高功率激光应用:医疗,工业,国防等。

J9九游会一站式供应各种类型的电光Q开关,普克尔盒,电光调Q开关,电光调制盒,Q开关,EOM,电光调制器,KDP电光Q开关,KDP普克尔盒,BBO电光Q开关,BBO普克尔盒,CdTe电光Q开关,铌酸锂电光调制器,强度调制器,相位调制器,可提供选型、技术指导、安装培训、个性定制等全生命周期、全流程服务,欢迎联系J9九游会的产品经理!

联系罗经理快速获取产品选型、最新报价和解决方案
手机: 18162698939(微信) 座机: 027-51858939
产品系列
激光器
声光器件和电光器件
光学元器件
激光配件
激光仪器与工具
工业自动化
产品经理信息

普克尔盒也叫普克尔斯盒,是一种由电光晶体(附有一些电极)组成的装置,光束可以通过它传播。晶体中的相位延迟(→ 普克尔斯效应)可以通过施加可变电压来调制。因此,普克尔盒充当电压控制波片。普克尔盒是电光调制器的基本组件,例如用于调Q激光器。它的原理就是克尔电光效应,即放在电场中的晶体,由于其分子受到电力的作用而发生取向(偏转),呈现各向异性,结果产生双折射,即沿两个不同方向物质对光的折射能力有所不同。普克尔盒一般用来做电光调制器,电光调制器是一套系统,需要普克尔盒加上驱动电源,根据参数需求不同可选择不同的调制类型和调制频率。一般对光有3种调制:强度调制,偏振态调制和相位调制。

几何形状和材料

关于外加电场的方向,普克尔盒可以有两种不同的几何形状:

纵向器件具有沿光束方向的电。馐┕缂械目。大光圈很容易实现,因为所需的驱动电压基本上与光圈无关。电极可以是金属环(左)或带有金属触点的端面(右)透明层。G&H公司在其KDP/KD*P普克尔盒(QX、CQX、IMPACT和TX系列)的产品中使用了这种设计。

横向装置具有垂直于光束的电场。该场通过晶体侧面的电极施加。对于小孔径,它们可以具有较低的开关电压。G&H公司的LiNbO3、BBO和CdTe普克尔盒(Chiron和IRX系列)采用这种设计。

普克尔盒常见的非线性晶体材料有磷酸二氘钾(KD*P =DKDP)、磷酸氧钛钾(KTP)、β-硼酸钡(BBO)(后者用于更高的平均功率和/或更高的开关频率),铌酸锂(LiNbO3)、钽酸锂(LiTaO3)和磷酸二氢铵(NH4H2PO4,ADP)。

半波电压

普克尔盒的一个重要特性是半波电压Uπ(也称为Uλ/2或Vλ/2)。这是引起π相变所需的电压,相当于半个光波长。在调幅器中,施加的电压必须改变这个值,以便从传输最小的操作点到传输最大的操作点。具有横向电场的普克尔盒的半波电压取决于晶体材料、电极间距和施加电场的区域的长度。对于更大的开孔,电极间距需要更大,因此电压也需要更大。对于具有纵向电场的普克尔盒,晶体长度无关紧要,因为例如较短的长度也会增加给定电压的电场强度。在不增加半波电压的情况下可以实现更大的孔径。典型的普克尔盒具有数百甚至数千伏的半波电压,因此大调制深度需要高压放大器。对于高度非线性晶体材料(如LiNbO3)和具有小电极间距的集成光调制器,相对较小的半波电压是可能的,但此类器件的功率处理能力有限。

调制带宽

普克尔盒可能的调制带宽可能非常高——许多兆赫,甚至可能是数千兆赫。它基本上仅受可以修改电光晶体中电场强度的速度的限制。因此,它基本上受到所使用的普克尔盒驱动器电子设备的限制,并且可能受到驱动器和普克尔盒之间的电缆连接的限制。然而,具有高电容的普克尔盒使驱动器更难以实现高带宽。因此,使用具有低介电敏感性εr的晶体材料是有益的。此外,所选择的电极几何形状可以发挥作用,并且这也可能受到例如关于开孔的要求的影响。

G&H普克尔盒、电光Q开关

基本型号如下:

产品系列波长有效孔径重复频率本征对比 (ICR)电压对比(VCR)光学材料
Chiron系列200–1650nm3.25–7mm1MHz>1000:1@1064nm>1000:1@1064nmBBO
Impact系列300-1100nm8-13mm1kHz>4000:1@1064nm>3500:1@1064nmKD*P
QX系列300–1100nm9.5–19.5mm3kHz5000:1@1064nm>1000:1@1064nmKD*P
QX1014A300–1100nm8mm10kHz>1200:1@633nm>450:1@633nmKD*P
TX系列300–1300nm19.5–99mm1kHz

KD*P
IRX系列 7.0–12?m3–10mm100kHz>500:1@10.6?m>500:1@10.6?mCdTe

Chiron系列BBO普克尔盒

Chiron BBO普克尔盒在200–1650nm波长范围内工作,有效孔径为3.25–7mm,重复频率高达1MHz。在1064nm处提供>1000:1的压电系数比。利用双晶体几何结构,具有最小驱动电压(四分之一波电压:2.3kV@1064nm)。Chiron BBO普克尔盒提高了高重复率和高平均功率激光应用的标准,因为其吸收率低,可减少热透镜效应和消偏振。低吸收是通过卓越的晶体质量实现的,J9九游会通过利用晶体生长、制造和抛光技术的专有技术来实现这一点,以提供可靠、高性能的普克尔盒。该系列普克尔盒可用于再生放大器、高脉冲重复率微加工激光器和用于材料加工和金属退火的高平均功率激光器,以及任何其他高功率激光应用。

Chiron系列BBO普克尔盒

主要特点

  • 高达1MHz的高脉冲频率

  • 固态

  • 低噪音

  • 抗损伤陶瓷孔径

  • 紧凑的设计

  • 高可靠性

  • 高平均功率运行

主要优势

  • 适用于高平均功率系统

  • 低吸收,热效应低

  • 卓越的高重复率性能

  • 提供技术支持

应用

  • 军事

  • OEM 和替换激光系统:

    • ? 加工、打标、钻孔

    • ? 眼科

    • ? Q开关和再生放大器

    • - 研究

型号Chiron 2.6Chiron 3Chiron 4Chiron 5Chiron 7
通光孔径2.6mm3.25mm4mm5.5mm7mm
单程插入损耗@1064nm<1.5%<1.5%<1.5%<1.5%<1.5%
本征对比(ICR)@1064nm>1000:1>1000:1>1000:1>1000:1>1000:1
电压对比 (VCR)@1064>1000:1>1000:1>1000:1>1000:1>1000:1
单程波前畸变@1064nm<λ/6<λ/6<λ/6<λ/6<λ/6
镀膜层损伤阈值LIDT,
 10Hz@1064nm,10ns,~1mm直径
10J/cm210J/cm210J/cm210J/cm210J/cm2
电容(DC)~4pF~4pF~4pF~4pF~4pF
直流1/4波电压(±6%)@1064nm1.9kV2.3kV2.9kV3.8kV4.7kV
储存和运输的温度-25℃至50℃-25℃至50℃-25℃至50℃-25℃至50℃-25℃至50℃
理论上10-90%上升时间(50Ω电线)~ 1ns~ 1ns~ 1ns~ 1ns~ 1ns
1s占空比<5%<5%<5%<5%<5%
外形尺寸直径25.3mm,长57.7mm

1MHz重复率下的普克尔盒性能标准化为100%的起始对比度

Impact系列KD*P普克尔盒

Impact系列KD*P普克尔盒在300-1100nm波长范围内的透射率超过98.5%,有效孔径范围为8-13mm,本征对比度>4000:1,在1Khz频率下工作,采用了最好的无应力、高度氘化的KD*P晶体。陶瓷孔径确保在严苛的应用中也具有稳定的性能。可用于多种激光波长的超高的损伤阈值的溶胶和AR镀膜。选配标准的针型连接器(适用于高电压应用),简便的设计方便客户快速的连接和组装,客户也可选择传统的螺纹接头。IMPACT系列是采用干燥的氮气回吹来保护的真空密封,价格合理,专为设备制造商(OEM)研制。

Impact系列KD*P普克尔盒

主要特点

  • 高达1MHz的高脉冲频率

  • 小尺寸适合微型系统

  • 紧凑–重量轻且节省空间

  • 抗损伤陶瓷孔径

  • 高透射率和对比度

  • 高抗光学损伤性

  • 工作频率为1kHz

应用

  • 军事

  • OEM

  • 研究

  • 教育

  • 医疗

型号Impact8Impact9Impact10Impact13
通光孔径8mm9.25mm10mm13mm
单程插入损耗@1064nm<2%<2%<2%<2%
本征对比(ICR)@1064nm>2000:1>2000:1>2000:1>2000:1
电压对比 (VCR)@1064>1500:1>1500:1>1500:1>1500:1
单程波前畸变@633nm<λ/6<λ/6<λ/6<λ/6
电容(DC)6pF6pF6pF6pF
直流1/4波电压(±6%)@1064nm3.5kV3.5kV3.5kV3.5kV
理论上10-90%上升时间(50Ω电线)0.8ns0.9ns1.1ns1.1ns
镀膜层损伤阈值LIDT,
 10Hz@1064nm,10ns,~1mm直径
10J/cm210J/cm210J/cm210J/cm2

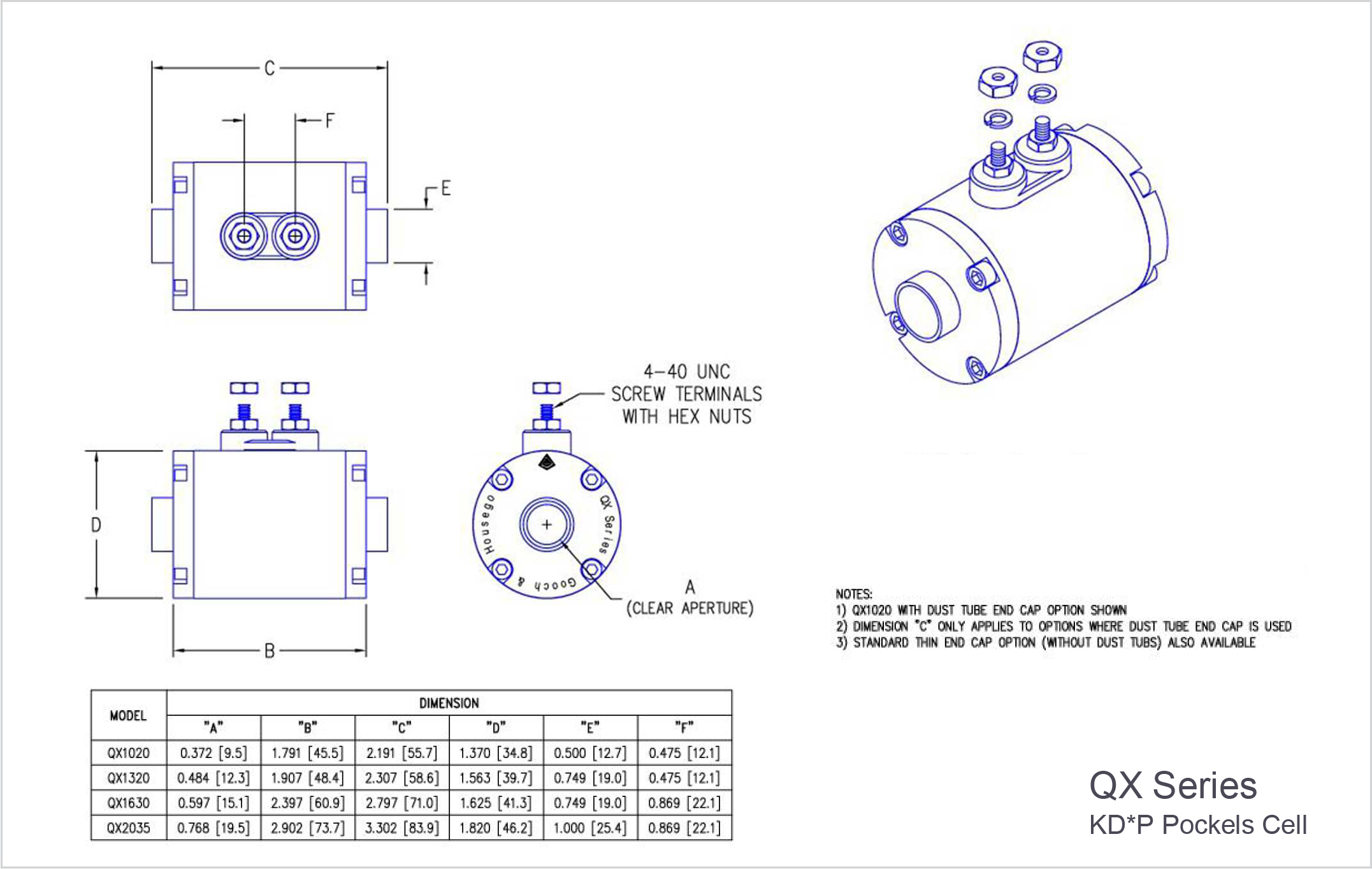
QX系列KD*P普克尔盒

QX系列KD*P普克尔盒在300–1100nm波长范围内工作,有效孔径为9.5–19.5mm,重复频率高达3kHz。在1064nm处提供大于2000:1的电压对比度。QX系列为KD*P普克尔盒设定了标准,采用宽带、高损伤阈值溶胶凝胶增透膜及紧凑型设计,以提高耐用性和性能,具有坚固的陶瓷孔径和优质的紫外级熔融石英窗口,可实现高透射率和对比度。

QX系列KD*P普克尔盒

主要特点

  • 干性或液体密封

  • 99.9% KD*P重氢工业化标准

  • 无环氧和粘结剂

  • 紫外级熔融硅窗口

  • 有效孔径为9.5–19.5mm

  • 业内最低的吸收率

  • 最高的抗光学损伤能力

  • 工作频率为3kHz(10kHz衰减模型)

应用

  • Q 开关、脉冲拾取和腔倒空器

  • 工业和军事OEM,研究激光器系统教育

型号QX1020QX1320QX1630QX2035
通光孔径9.25mm12.3mm15.1mm19.5mm
单程插入损耗@1064nm<1.4%<1.4%<1.8%<2%
本征对比(ICR)@1064nm5000:15000:15000:15000:1
电压对比 (VCR)@10642500:11500:11800:11000:1
单程波前畸变@633nm<λ/8<λ/8<λ/8<λ/6
电容(DC)5pF7pF9pF13pF
直流1/4波电压(±6%)@1064nm3.5kV3.5kV3.5kV3.5kV
理论上10-90%上升时间(50Ω电线)0.8ns1.1ns1.1ns1.5ns

QX1014A短路径KD*P普克尔盒

QX1014A短路径KD*P普克尔盒作为行业标准QX系列普克尔盒中最新型号,在300–1100nm波长范围内工作,具有从8mm起的短路径长度有效孔径,重复频率高达10kHz。在633nm处提供大于1200:1的电压对比度,并具有紧凑的设计,具有坚固的陶瓷孔径和优质的紫外熔融石英窗口,可实现高透射率和对比度。采用宽带、高损伤阈值溶胶凝胶增透膜,以提高耐用性和性能。采用短路径长度零件用来减少在高峰值功率应用和飞秒应用中光脉冲在非线性介质中传播时导致的非线性自聚焦效应。衰减(阻尼)修改允许高达10kHz的有效操作从而有效的抑制了声振效应。J9九游会可提供多种AR镀膜,包括J9九游会的独有的700-1000nm AR镀膜-非常适合减小钛蓝宝石再生放大器的插入损耗。

QX1014A短路径KD*P普克尔盒

主要特点

  • 短路径长度,运行高达10kHz

  • 可定制AR镀膜,包括适用于钛蓝宝石带宽的AR镀膜、波长可选、陶瓷通光孔径、低VOC材料和高质量KD*P晶体

主要优势

  • 高损伤阈值

  • 低插入损耗

应用

  • 光谱学用超快再生放大器

  • 材料加工

  • 光学参量放大

  • 生命科学用飞秒激光(如LASIK)和材料加工(如光刻掩模修复)

  • 科学研究

主要技术参数

  • 通光孔径:8mm

  • 本征对比(ICR)@633nm:>1200:1

  • 电压对比 (VCR)@633nm:>450:1

  • 光传输@镀膜波长:>98%

  • 直流半波电压@633nm:≤3.8kV

  • 透射波畸变@633nm:λ/8

  • 外形尺寸:直径34.8mm,长度51.6mm

TX系列KD*P普克尔盒

TX系列KD*P普克尔盒在300–1300nm 波长范围内工作,具有19.5–99mm 的大有效孔径,重复频率高达1kHz。在1064nm处提供大于8000:1的电压对比度。还配有亚微米级的轴向可调窗口,用于调节窗口/晶体间距,同时配有224 TPI精密调节螺丝可用于再次调节窗口平行度和弧度。

TX系列KD*P普克尔盒是目前市面上最先进的应用于高功率的大口径光学隔离器。J9九游会作为业界的先驱研发的激光诱导核聚变和亚微米微光刻技术的普克尔盒现有大约300台在全球范围内使用,所售数量是其他制造商所售总和的两倍多。J9九游会利用最先进的技术特别修改了圆柱形环形电极几何结构,用来实现光均匀的传输达到最佳的消光比和最短的光路。J9九游会在TX系列普克尔盒上安装优质的50Ω  GHV系列电气插座,因为其额定值为20kVDC和1GHz(需与RG-8 A/U或RG-213/U同轴电缆一起使用)。

TX系列KD*P普克尔盒

主要特点

  • 亚微米级轴向可调窗口,用于调节窗口/晶体间距

  • 224TPI精密调节螺丝,用于调节窗口平行度和弧度

  • 双循环口

  • 易于检查和清洁的水晶镜面

  • 50Ω传动线标准配置。

  • 精密加工不含环氧树脂

  • 可提供各种孔径尺寸

主要优势

  • 扩束可降低光强

应用

  • 超短超强激光器的Q开关和光隔离器

  • 高功率可见光和近红外激光器的光隔离和低频调制

型号TX2042TX2650TX3460TX5065TX7595TX100D
通光孔径19.5mm25.5mm33.5mm49.5mm73.5mm99.0mm
晶体氘化95%95%95%95%95%95%
单程插入损耗@1064nm3.5%4%5%5%6.5%7%
本征对比(ICR)@1064nm>2000:1>2000:1>2000:1>2000:1

电压对比 (VCR)@1064
 交叉偏振器
 平行偏振器
8000:1
3000:1
8000:1
2500:1
6000:1
1500:1
3000:1
500:1
800:1
300:1
200:1
100:1
单程波前畸变@1064nm<λ/20<λ/20<λ/20<λ/20<λ/20<λ/20
最大残余双折射(通常小于孔径的1%)<10nm<12nm<18nm<20nm<40nm<80nm
直流半波电压@1064nm6.4kV6.4kV6.7kV6.9kV7.3kV7.7kV
电容 @ 1 kHz23pF27pF32pF56pF86pF115pF
理论上10-90%上升时间(50Ω电线)1ns<2ns2ns3ns5ns7ns
尺寸(LxHxW)*85x80x85mm97x87x92mm102x95x103mm115x111x119mm151x136x144mm157x161x169mm
重量1.1kg1.4kg1.9kg2.7kg5.4kg7.5kg

L=沿光轴方向的外壳长度;W=电气端子之间的宽度;H=高度。可提供某些特定尺寸的99%氘化 KD*P和UV级KDP。点击此处查看TX系列50Ω传输模式接线信息

IRX系列CdTe普克尔盒

IRX系列CdTe普克尔盒在7.0–12?m波长范围内工作,有效孔径为3–10mm,重复频率高达100kHz,在10.6?m处提供>500:1的电压对比度。IRX系列具有专利设计,可将CdTe晶体与外部环境隔离,从而延长使用寿命,并提供水冷设计以提高平均功率处理能力。由于碲化镉具有电光系数高和不易吸水的特性,它作为Q开关主要用于3-12um波段,特别是二氧化碳激光器中。根据客户要求,可以切成布儒斯特角端面,也可以根据客户指定的激光波长镀膜。

IRX系列CdTe普克尔盒

主要特点

  • 高电光效应的CdTe晶体

  • 可提供3-10 mm氩涂层或布鲁斯特切割晶体的孔径

  • 环境隔离EO晶体

  • 可提供定制版本

  • 可提供主动冷却(申请专利中)

  • 3μm-12μm到100 kHz

  • 环境控制和大功率水冷选项(申请专利中)

  • 防潮材料

  • 低光吸收

主要优势

  • 高对比度

  • 宽光谱范围

应用

  • 二氧化碳激光调Q

  • 红外脉冲选择器

型号IRX3IRX4IRX5IRX7IRX9
通光孔径3mm4mm5mm7mm9mm
光通过率>98%@10.6μm>98%@10.6μm>98%@10.6μm>98%@10.6μm>98%@10.6μm
本征对比(ICR)@10.6μm>500:1>500:1>500:1>500:1>500:1
电压对比(VCR)@10.6μm>500:1>500:1>500:1>500:1>500:1
单程波前畸变@10.6μm<λ/4<λ/4<λ/4<λ/4<λ/4
电容(DC)6pF6pF6pF6pF6pF
直流1/4波电压(±6%)@10.6μm~4kV~5kV~6kV~7kV~9kV
理论上10-90%上升时间(50Ω电线)~0.3ns~0.3ns~0.3ns~0.3ns~0.3ns
1s占空比<10%<10%<10%<10%<10%
激光损伤阈值2.3J/cm2,直径1mm,2.94?m,2Hz,100ns
光谱操作范围必须在5-12?m范围内指定波长或波段
外形尺寸直径34.9mm, 长度92.7mm

可按客户要求定制孔径。建议在1/10的流量下运行,以延长使用寿命。LIDT将随波长和光束参数变化。

EKSMA普克尔盒

KTP普克尔盒

PCK/PCR系列普克尔盒基于特殊生长的高电阻率KTP或RTP晶体。突出的特点是可以在高占空比下操作KTP/RTP 普克尔盒,甚至可以在高电压下保持更长时间。KTP/RTP普克尔盒可以采用标准的一英寸外壳或在需要小尺寸时采用开放式OEM安装。

KTP普克尔盒

主要特点:

  • 相较于双BBO普克尔盒电池电压要求小两倍

  • 在低频下以高占空比运行

  • 与DKDP晶体相比,压电共振非常低

  • 标准通光孔径:4x4和6x6 mm

主要应用:

  • 用于高重复频率激光器1kHz–6MHz的调Q

  • 高重复率激光器的脉冲选择器

型号PCK4PCK4-OPCK6PCK6-O
通光孔径?3.5 mm?3.5mm?5.5mm?5.5mm
晶体数量2222
半波电压(@1064nm)<1.8 kV DC<1.8 kV DC<2.8 kV DC<2.8 kV DC
电容4pF4pF<6pF<6pF
光传输(@1064nm)>98%>98%>98%>98%
对比度>1:500>1:500>1:500>1:500
尺寸?25.4×42.2mm25×11.1×7.5mm?25.4×42.2mm25×13.8×10.6mm

DKDP(KD*P)普克尔盒

普克尔盒的作用是在KD*P等电光晶体的电极上施压用来改变通过这些晶体的的光的偏振态。当它与偏振器一起使用时,普克尔盒可以用作快速关断开关。典型应用包括激光腔的调Q,实现激光腔倒空将光注入或从再生放大器中耦合出来。KD*P普克尔盒通常用于400~1100nm的调Q应用。市面大多数灯泵浦Nd:YAG激光器、红宝石激光器和低重复率DPSS激光器的激光腔调Q开关都是使用KD*P普克尔盒。所有的电光KD*P晶体都镀有高损伤阈值AR膜层。此外, PC12SR、D-compact和D-mini系列的普克尔盒还特有AR镀膜窗口,可以保护和提高此产品在不太好的环境中的使用寿命。

DKDP(KD*P)普克尔盒

主要特点:

  • 低吸收高氘材料

  • 针对所需波长的高损伤阈值介电增透膜

  • 工作电压不依赖于晶体孔径,因此可提供大孔径

  • 由于GVD低,适用于飞秒应用

  • 可根据要求提供基于单晶的三端子设计

主要应用:

  • 高功率灯泵浦和低重复率二极管泵浦激光器的调Q

  • 脉冲选择器

  • 激光腔倒空器

规格标准矩形KD*P标准圆形KD*P紧凑型 KD*P迷你 KD*P
型号PC5S-1064PC10S-1064PC12SR-1064PC12SR-532PC12SR-694PC14x45SR-1064D-Compact/9-1064D-Compact/12-1064D-mini/8-800D-mini/9-1064
通光孔径,mm4.5x4.59.5x9.5?11?11?11?13.6?8?11?7?8
晶体尺寸,mm5x5x1610x10x25?12x24?12x24?12x24?14x45?9x20?12x24?8x12?9x20
晶体数量1111111111
λ/2电压, kV DC<6.8@1064nm<6.8@1064nm<6.8@1064nm<3.5@532nm<4.5@694nm<±3.4@1064nm<6.8@1064nm<6.8@1064nm<5@800nm<6.8@1064nm
电容,pF1.54666106636
光传输,%>97>97>97>97>97>97>97>97>97>97
对比度*> 1:2000>1:2000>1:2000>1:2000>1:2000>1:2000>1:2000>1:2000>1:2000>1:2000
尺寸,mm18x14x2522x18x33?35x41.6?35x41.6?35x41.6?35x75?25.4x35?25.4x39?19x19?19x25.4

*用正交偏光片法测量

BBO普克尔盒

BBO普克尔盒是横向磁场器件,电光系数低,工作电压高,电压与电极间距和晶体长度的比值成正比。采用双晶体设计以降低所需电压,并可在半波模式下快速切换。当与偏振器一起使用时,它可以用作快速关断开关。典型应用包括激光腔的调Q,实现激光腔倒空将光注入或从再生放大器中耦合出来。Quatro BBO普克尔盒采用四晶设计,两侧独立控制,可以由两组同步的普克尔盒驱动器控制,从而实现高级偏振控制。

BBO普克尔盒

主要特点:

  • 低吸收高氘材料

  • 针对所需波长的高损伤阈值介电增透膜

  • 工作电压不依赖于晶体孔径,因此可提供大孔径

  • 由于GVD低,适用于飞秒应用

  • 可根据要求提供基于单晶的三端子设计

主要应用

  • 高功率灯泵浦和低重复率二极管泵浦激光器的调Q

  • 脉冲选择器

  • 激光腔倒空器

型号PCB3SPCB3DPCB3S/25PCB3D/25PCB4SPCB4DPCB4Q-CPCB6.3SPCB6.3DPCB8D
通光孔径,mm2.52.52.52.53.53.53.55.85.87.5
晶体尺寸,mm3x3x203x3x203x3x253x3x254x4x204x4x204x4x206.3x6.3x206.3x6.3x208x8x20
晶体数量1212124122
λ/4 电压 (@ 1064 nm), kV DC<3.5<1.8<3.0<1.5<4.6<2.3<2x1.3<7.5<3.8<4.6
电容,pF4646362×<66<8<8
光传输,%>98>98>98>98>98>98>98>98>98>98
对比度*>1:1000>1:500>1:1000>1:500>1:1000>1:500>1:500>1:1000>1:500>1:500
尺寸,mm?25.4x37.2?25.4x57.2?25.4x42.2?25.4x67.2?25.4x37.2?25.4x57.2?25.4x112?35x42.2?35x57.2?35x64

上面提供的普克尔斯盒的所有晶体都镀有AR/AR@1064nm。可根据要求提供其他抗反射涂层。对于1064nm的10ns脉冲,损伤阈值>5J/cm2。

RTP晶体电光Q开关

RTP(磷酸钛氧铷)晶体属KTP族晶体,因其良好的电学与光学性能,包括较高的电阻率(约1011-1012Ω·cm和抗光伤阈值,非常适合用做电光器件,如激光Q开关、快门、相位和振幅调制器、脉冲选择器,腔倒空器和偏转器。

RTP晶体电光Q开关

我公司提供的RTP晶体Q开关,采用双晶体结构,两块晶体光轴彼此垂直,可以自动补偿环境温度变化,是一种无需温控的激光器件。除此之外,RTP晶体器件还具有下列明显优势:

  • 适用波长:450nm  – 3μm,器件消光比 > 23 dB

  • 双晶体总的电容量很。 5mm长晶体的总电容量为2-3pF或10mm长晶体的总电容量为3-4pF,可实现脉冲上升/下降时间:0.5-5ns

  • 与其它电光Q相比,具有较低的半波电压,更容易控制

  • 晶体内部质量好,光学吸收低,双晶体的总体透光率>98.5%

  • 动态、静态半波电压基本一致,易于安装和调节

  • 适用于高频操作,最高开关频率可达1MHz

  • 小巧的外形和较低的操作电压,使其更适于新型的光纤与碟片激光器应用

  • 最大15x15mm?口径器件可用于大型军工和航天用途激光器

  • 使用温度﹣50-70℃,无需温控

  • 晶体损伤阈值达1GW/cm? @ 1064nm, 10ns脉宽

  • 晶体不潮解,介电常数低,优良的电学稳定性,可长期承受外加电压

  • 在高频工作时,极低的振铃效应,远远低于BBO电光Q的振铃效应

RTP晶体电光Q型号定义规则:
  型号:Ty ‐ D ‐ O ‐ Cr ‐ L ‐ E ‐ W
  Ty ‐ 晶体类别: R (RTP)
  D ‐ 电光器件: Q (电光Q),M  (双晶体结构),或S  (单晶体结构)
  O ‐ 晶体切割方向: X  / Y / Z
  Cr ‐ 晶体截面 [mm]
  L ‐ 晶体长度 [mm]
  E ‐ 消光比20/23/25/30 [dB]
  W ‐ 工作激光波长  [nm]

典型电光Q开关晶体尺寸和半波电压(外观尺寸图)

器件型号晶体尺寸[mm]半波电压(kV)器件型号晶体尺寸半波电压(kV)
R-Q-Y-020-5-20-10642 x 2 x 51.3R-Q-Y-020-10-20-10642 x 2 x 10.66
R-Q-Y-030-5-20-10643 x 3 x 52.0R-Q-Y-030-10-20-10643 x 3 x 10.99
R-Q-Y-040-5-20-10644 x 4 x 52.6R-Q-Y-040-10-20-10644 x 4 x 101.3
R-Q-Y-050-5-20-10645 x 5 x 53.3R-Q-Y-050-10-20-10645 x 5 x 101.7
R-Q-Y-060-5-20-10646 x 6 x 54.0R-Q-Y-060-10-20-10646 x 6 x 102.0
R-Q-X-020-5-20-10642 x 2 x 51.6R-Q-X-020-10-20-10642 x 2 x 10.79
R-Q-X-030-5-20-10643 x 3 x 51.6R-Q-X-030-10-20-10643 x 3 x 101.2
R-Q-X-040-5-20-10644 x 4 x 51.6R-Q-X-040-10-20-10644 x 4 x 101.6
R-Q-X-050-5-20-10645 x 5 x 51.6R-Q-X-050-10-20-10645 x 5 x 102.0
R-Q-X-060-5-20-10646 x 6 x 51.6R-Q-X-060-10-20-10646 x 6 x 102.4
R-Q-X-070-5-20-10647 x 7 x 51.6R-Q-X-070-10-20-10647 x 7 x 102.8
R-Q-X-080-5-20-10648 x 8 x 51.6R-Q-X-080-10-20-10648 x 8 x 103.2
R-Q-X-090-5-20-10649 x 9 x 51.6R-Q-X-090-10-20-10649 x 9 x 103.6
您可能感兴趣的文章
【网站地图】【sitemap】